Lautsprecherschutzschaltung Lautsprecher Schutz Trennrelais K4700 Velleman Bausatz WHADDA WSAH4700
Lautsprecherschutzschaltung Lautsprecher Schutz Trennrelais K4700 Velleman Bausatz WHADDA WSAH4700
Diese Lautsprecherschutzschaltung verhindert Einschaltklicken und Gleichspannung am Ausgang des angeschlossenen Verstärkers und schützt so Lautsprecher und Verstärker. Sie ist geeignet für den Stereobetrieb als auch für den Brücken Mono Betrieb.
TEST
Schliessen Sie eine Netzschnur an den Punkten MAINS an, verbinden Sie den Modul am Netz und prüfen Sie nun ob die gelbe LED sich nach ca. 6 sec löscht. Beim Löschen dieser LED muss gleichzeitig den Einschaltschlag des Relais hörbar sein.
Prüfen des linken Kanals:
- Verbinden Sie nun das Punkt PA des linken Kanal mit dem Punkt -V (Abb. 1.0), jetzt muss die rote ERROR-LED gleichzeitig mit der gelben WAIT-LED aufleuchten.
- Beim wieder Trennen dieser Verbindung (Abb. 2.0) soll die rote LED sich löschen und nach ca. +/- 6 sec. auch die gelbe LED. Wiederholen Sie diesen Test auch für die Verbindung des Punktes PA mit dem Punkt +V.
Prüfen des rechten Kanals:
- Verbinden Sie nun das Punkt PA des rechten Kanal mit dem Punkt -V (Abb. 3.0), jetzt muss die rote ERROR-LED gleichzeitig mit der gelben WAIT-LED aufleuchten.
- Beim wieder Trennen dieser Verbindung (Abb. 4.0) soll die rote LED sich löschen und nach ca. +/- 6 sec. auch die gelbe LED. Wiederholen Sie diesen Test auch für die Verbindung des Punktes PA mit dem Punkt +V.
ANSCHLUSS
Suchen Sie nun erst einen geigneten Platz für den Absicherungsmodul (z.B. gegen der Rüchseite des Gehäuses).
Realisieren Sie die nachfolgenden Verbindungen:
MAINS: dieser Anschluss soll mit dem NETZ-Anschluss des Transformators im Verstärker verbunden werden, also NACH dem Netzschalter!
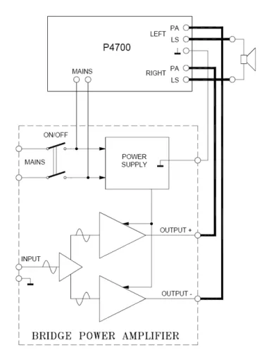
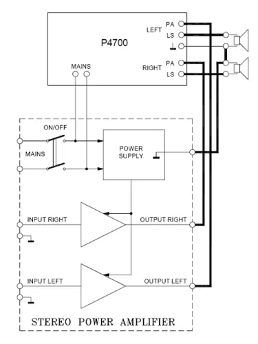
PA: verbinden Sie diesen Punkt mit dem Lautsprecherausgang des Verstärkers, für das linke bzw. für das rechte Kanal (Abb. 5.0). Im Falle eines Brückenverstärkers sollen hier zwei "heisse" Anschlüsse kommen (Abb. 6.0).
MASSE: dieser Punkt soll mit der Masse des Verstärkers verbunden werden.
LS: Hiermit ist der linke bzw. der rechte Lautsprecher zu verbinden.
Falls man die Lautsprecher auch manuell abschalten möchte, wäre die nachfolgende Verbindung zu realisieren:
Schliessen Sie einen Schalter zwischen den Punkten -V und MAN an; wenn der Schalter geschlossen ist sind auch die Lautsprecher permanent ausgeschaltet; beim wieder Öffnen werden die Lautsprecher nach ca.+/- 6 sec. wieder eingeschaltet.
BEMERKUNG: bei asymmetrisch gespeisten Verstärkern (also mit Ausgangselcos und mit montierten Wiederständen R23 bis R26) von über 300W/4 Ohm oder 150W/8 Ohm ist es nicht zu empfehlen die Lautsprecher bei voller Leistung während einer längeren Periode ausgeschaltet zu lassen, da sonst die letztgenannten Wiederstände durchbrennen könnten. Falls dieser Absicherungsmodul mit einem Brückenverstärker mit asymmetrischer Speisung gekuppelt wird, dürfen die Dioden D7 und D8 nicht montiert werden; in diesem Fall darf die DC-Absicherung jedoch nicht mehr funktionieren da die Spannungsreferenz des Absicherungsmodules gegenüber der Masse steht.
Technische Daten
- Einschaltverzögerung: ± 6 Sekunden
- DC-Schutz: +1V/-1V
- max. Eingangsspannung: 200Vpp + DC
- max. Schaltstrom: 10A
- LED-Anzeige für: WAIT (Einschaltverzögerung) und ERROR (Gleichspannung am Lautsprecher am Lautsprecherausgang)
- Stromversorgung: 220VAC
- Abmessungen: 55 x 125mm
TEST
Schliessen Sie eine Netzschnur an den Punkten MAINS an, verbinden Sie den Modul am Netz und prüfen Sie nun ob die gelbe LED sich nach ca. 6 sec löscht. Beim Löschen dieser LED muss gleichzeitig den Einschaltschlag des Relais hörbar sein.
Prüfen des linken Kanals:
- Verbinden Sie nun das Punkt PA des linken Kanal mit dem Punkt -V (Abb. 1.0), jetzt muss die rote ERROR-LED gleichzeitig mit der gelben WAIT-LED aufleuchten.
- Beim wieder Trennen dieser Verbindung (Abb. 2.0) soll die rote LED sich löschen und nach ca. +/- 6 sec. auch die gelbe LED. Wiederholen Sie diesen Test auch für die Verbindung des Punktes PA mit dem Punkt +V.
Prüfen des rechten Kanals:
- Verbinden Sie nun das Punkt PA des rechten Kanal mit dem Punkt -V (Abb. 3.0), jetzt muss die rote ERROR-LED gleichzeitig mit der gelben WAIT-LED aufleuchten.
- Beim wieder Trennen dieser Verbindung (Abb. 4.0) soll die rote LED sich löschen und nach ca. +/- 6 sec. auch die gelbe LED. Wiederholen Sie diesen Test auch für die Verbindung des Punktes PA mit dem Punkt +V.
ANSCHLUSS
Suchen Sie nun erst einen geigneten Platz für den Absicherungsmodul (z.B. gegen der Rüchseite des Gehäuses).
Realisieren Sie die nachfolgenden Verbindungen:
MAINS: dieser Anschluss soll mit dem NETZ-Anschluss des Transformators im Verstärker verbunden werden, also NACH dem Netzschalter!
PA: verbinden Sie diesen Punkt mit dem Lautsprecherausgang des Verstärkers, für das linke bzw. für das rechte Kanal (Abb. 5.0). Im Falle eines Brückenverstärkers sollen hier zwei "heisse" Anschlüsse kommen (Abb. 6.0).
MASSE: dieser Punkt soll mit der Masse des Verstärkers verbunden werden.
LS: Hiermit ist der linke bzw. der rechte Lautsprecher zu verbinden.
Falls man die Lautsprecher auch manuell abschalten möchte, wäre die nachfolgende Verbindung zu realisieren:
Schliessen Sie einen Schalter zwischen den Punkten -V und MAN an; wenn der Schalter geschlossen ist sind auch die Lautsprecher permanent ausgeschaltet; beim wieder Öffnen werden die Lautsprecher nach ca.+/- 6 sec. wieder eingeschaltet.
BEMERKUNG: bei asymmetrisch gespeisten Verstärkern (also mit Ausgangselcos und mit montierten Wiederständen R23 bis R26) von über 300W/4 Ohm oder 150W/8 Ohm ist es nicht zu empfehlen die Lautsprecher bei voller Leistung während einer längeren Periode ausgeschaltet zu lassen, da sonst die letztgenannten Wiederstände durchbrennen könnten. Falls dieser Absicherungsmodul mit einem Brückenverstärker mit asymmetrischer Speisung gekuppelt wird, dürfen die Dioden D7 und D8 nicht montiert werden; in diesem Fall darf die DC-Absicherung jedoch nicht mehr funktionieren da die Spannungsreferenz des Absicherungsmodules gegenüber der Masse steht.
WHADDA
Velleman Group nv
Legen Heirweg 33
B-9890 GAVERE
Belgium (Europe)
Email: customercare@velleman.eu
Allgemeine Umweltinformationen ---> Download
Velleman Group nv
Legen Heirweg 33
B-9890 GAVERE
Belgium (Europe)
Email: customercare@velleman.eu
Allgemeine Umweltinformationen ---> Download
Unser Unternehmen sammelt über den unabhängigen Dienstleister SHOPVOTE Bewertungen. SHOPVOTE setzt automatische und manuelle Maßnahmen ein, um Bewertungen zu verifizieren. Informationen zur Echtheit von Kundenbewertungen auf SHOPVOTE finden Sie hier.
- Anonym, 08.06.2025Die Montage war recht einfach, die Funktion sofort gegeben, kein Nachbessern erforderlich