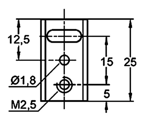
Fischer Elektronik KK5074C Kühlkörper TO-220 20K/W EKU112
Kühlkörper TO-220 20K/W
Kühlkörper TO-220 20K/W
Preview: Fischer Elektronik KK5074C Kühlkörper TO-220 20K/W EKU112
Preview: Kühlkörper TO-220 20K/W
Preview: Kühlkörper TO-220 20K/W

Kühlkörper TO-220 20K/W

Kühlkörper TO-220 20K/W
Mobile Preview: Fischer Elektronik KK5074C Kühlkörper TO-220 20K/W EKU112
Mobile Preview: Kühlkörper TO-220 20K/W
Mobile Preview: Kühlkörper TO-220 20K/W
Letzte Stücke
Art.Nr.:
1930
Lieferzeit:
1-3 Werktage !!! RESTPOSTEN!!! 1-3 Werktage !!! RESTPOSTEN!!! (Infos zur Lieferzeit)
BestellNr.:
EKU112
Hersteller:
Fischer Elektronik
MPN:
KK5074C
EAN:
4260335136799
1,49 €

inkl. 19% MwSt.
zzgl. Verpackung & Versand